DZC垂直振动提升机代号解释|结构图原理
文章作者:奥创机械发布时间:2019/12/26 11:47:51浏览次数:
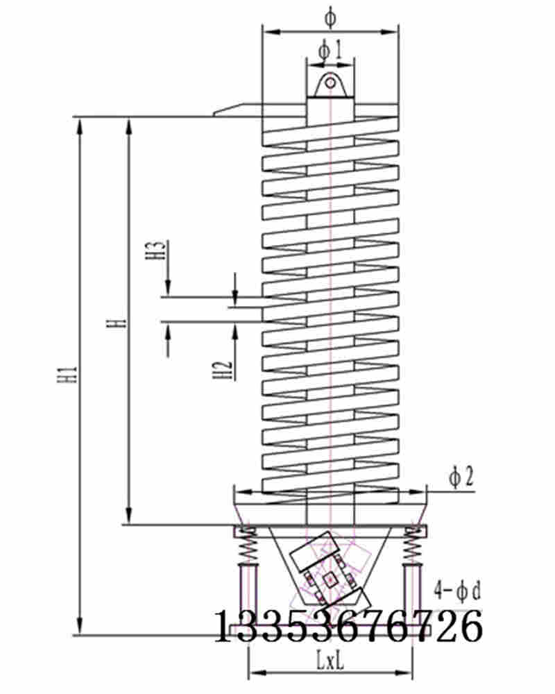
垂直振动提升机结构原理
垂直振动提升机的驱动装置振动电机安装在输送塔下部,两台振动电机对称交叉安装,输送塔由管体和焊接在管体周围的螺旋输送槽组成,输送塔座于减振装置上,减振装置由底座和隔振弹簧组成。当垂直输送机工作时,根据双振动电机自同步原理,由振动电机产生激振力,强迫整个输送塔体作水平圆运动和向上垂直运动的空间复合振动,螺旋槽内的物料则受输送槽的作用,作匀速抛掷圆运动,沿输送槽体向上运动,从而完成物料的向上(或向下)输送作业。
垂直振动提升机结构图
电机振动垂直提升机是由提升槽、振动电机、减振系统和底座等组成。
垂直振动提升机产品图片
垂直振动提升机代号解释
DZ C 600
┬ ┬ ┬
│ │ │
│ │ │
│ │ │
│ │ └─────────────输送槽直径(mm)
│ │
│ └──────────────-垂直
│
└────────────────电机振动
振动提升机技术参数表:
垂直振动提升机厂家提示:请通过正规渠道购买奥创输送机,以保障您的合法权益!
订购网址请登录河南奥创机械有限公司官方网站: www.gpzds.com 24小时服务热线:13353676726


